Product description:
In the rural power grid, especially in remote mountainous areas, the grid structure is unreasonable, the wire section is thin, the feeder line is long, the power supply radius is large, and the reactive power compensation ability is insufficient. The problem of low power supply voltage is difficult to be fundamentally solved. The ESVR is installed at 1/2 or 2/3 of the head end of the line to ensure the voltage quality of the line, which can extend the power supply radius by 2 to 3 times. The ESVR line voltage dynamic voltage regulator is a power electronic device that ensures the output voltage is stable by automatically adjusting the ratio. It can quickly and automatically adjust the input voltage within 30%, especially suitable for large voltage fluctuations or large voltage drops. Line.
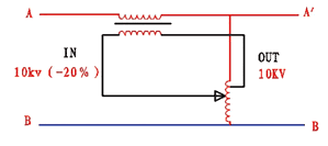
Working principle:
The high-voltage line voltage dynamic regulator compares the voltage on the output side with the reference voltage. If the line voltage deviates, the controller issues a lift command to the on-load tap-changer electronic switch to control the on-load tap-changer to switch from a tap. Go to another tap to change the transformer's ratio to achieve fast on-load auto-regulation.

調(diào)壓原理圖
Technical Parameters:
·Working range: 10KV ± 10%
·Working frequency: 50Hz
·Response speed: 10ms
·Speed: 5 files
· Phase number: device phase separation voltage regulation
·Electrical life: the number of actions is theoretically unlimited
·Communication interface: optional GPRS, RS485/RS232 interface
· Operation mode: automatic pressure regulation operation and automatic bypass operation
·IP rating: 43
·Voltage adjustment range: 0%~20%,-5%~+15%,-10%~+10%
· Operation mode: automatic pressure regulation operation and automatic bypass operation
Technical features:
·The service life, the device adopts the contactless switch to adjust and has a long service life;
· Fast response, non-contact switch adjustment, can achieve fast 20ms voltage regulation;
· High efficiency, because the device only compensates for the differential piezoelectric energy, which improves the operating efficiency of the device.









